Transistors et logique binaire

Les structures de l'électronique numérique reposent toutes sur des composants appelés transistors.

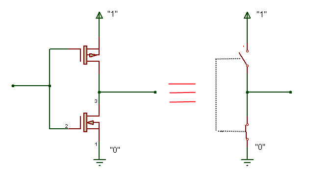
Les transistors s'apparentent à des interrupteurs qui laissent passer ou non le courant électrique. L'utilisation de transistors complémentaires (quand l'un laisse passer le courant, l'autre le bloque) permet d'obtenir des cellules unitaires qui délivrent soit un niveau logique "0" ou un niveau logique "1". Ce fonctionnement binaire - on parle de logique binaire -explique le fait que l'on utilise la base 2 pour coder des programmes informatiques.

Le bit

De l'anglais binary digit, le bit décrit une variable n'ayant que deux états possibles.

Par exemple : Un nombre peut être pair ou non.

Lorsque des combinaisons intermédiaires sont nécessaires, on associe plusieurs bits pour obtenir des variables de valeurs plus grandes.

L'octet

L'association de 8 bits forment un octet (BYTE en anglais). Un octet peut représenter 256 valeurs différentes (28).

Parce que l'écriture binaire est fastidieuse, on écrit les octets en hexadécimal (base 16). Pour la base 16 voir le cours Systèmes de numération.

Par exemple la couleur d'un pixel à l'écran est caractérisée par 3 variables qui sont ROUGE, VERT et BLEU. Ainsi la couleur jaune est définie par ROUGE=255=$FF  VERT=$FF=255 et BLEU = $00=0


Remarque : pour signaler un mot hexadécimal, on utilise la lettre $ ou h ou 0x.


Exemple :  $FF=FFh=0xFF

Koctets - Kioctets

On avait pris pour habitude de qualifier 1024 octets comme un KOctet.

Cette donnée a changé il y a quelques temps pour être conforme au souhait des organismes de normalisation.

Ainsi 1 KOctet = 1000 octets

Une nouvelle unité est apparue qui est le KiOctet : le kilo informatique qui vaut 210 octets soit 1024 octets.

Structures combinatoires

On appelle structure combinatoire, l'association d'éléments logiques pour lesquels un changement d'une variable d'entrée introduit immédiatement un changement possible de la sortie.

Exemple :

Soit un coffre fort disposant de quatre boutons. Si chaque bouton est positionné sur la bonne valeur, le coffre s'ouvre. L'ordre de manipulation n'a aucune importance. L'ouverture est simplement conditionnée par la bonne combinaison.

Il s'agit d'un fonctionnement combinatoire.


Les portes logiques sont des structures combinatoires.

Structures séquentielles

On appelle structure séquentielle, l'association d'éléments logiques faisant intervenir la notion de mémoire et d'états précédents pour provoquer le changement d'état de sortie de la structure.

Il s'agit d'un fonctionnement qui respecte une séquence. Il s'agit d'un fonctionnement séquentiel.

Exemple :

Une carte bancaire dispose d'un code secret de 4 chiffres. L'ordre de saisi à son importance. Pour que le code soit accepté, il faut que les 4 numéros soient exacts et saisis dans l'ordre.

Les registres, les bascules logiques, les compteurs sont des structures séquentielles.